公司简介 公司新闻 综合资讯 产品展示 产品目录 客户反馈 联系我们 电子邮局
主要产品为静态混合器、动态混合设备、传热反应设备、过滤设备、消声设备、阻火设备等

管式反应器
切水器
管道过滤器
混合器
自清洗过滤器
空气过滤器
灭菌过滤器
滤件系列
精细过滤器
粉体输送设备
粉体混合设备
液体搅拌设备
消声器
特种小型设备
排水器
高效换热器
纸浆漂白专用设备
除污器(滤水器)
喷射器
纤维除雾器

 
 
高效换热器
产品概述
  普通列管式换热器因其结构简单,造价低廉,通用性强等得到了广泛的应用。但对高粘度物料进行换热操作,换热效率则显著降低,且由干管内存在较大的断面温度分布不均匀性,因而也会产生其他质量劣化问题。

  针对这一难题,本公司长期跟踪相关动向,并与有关科研所合作攻关,成功开发出H型高效换热器。本系列换热器换热管采用静态混合元件,其总传热系数比普通换热器提高3-6倍。静态混合元件在传质方面的表现已得到业内人士的认同。H型高效换热器的开发成功,再一次以实践证明了传热与传质的相似性理论。

性能特点

H型高效换热器除具有一般列管式换热器的优点外,还具有以下特点:

  1、传热效率普通提高,尤其是对高粘度物料。

  2、管内物料不存在断面温度分布不均匀性。

  3、管程具有一定的自洁作用。

  4、为达到相同换热效果,可降低传热温差而降低熵损,提高热能利用率。

  5、为达到相同换热效果,可减少传热面积,减少装置占地面积。

适用范围

H型高效换热器特别适用于对高粘度物料的换热操作,其粘度范围为50-500000cp。广泛应用于石油化工、食品工业和合成纤维方面。如PBT、PET工聚丙烯晴、聚对苯二甲酸乙二酯等(详细设计、选型请与德力科公司技术部联系)。

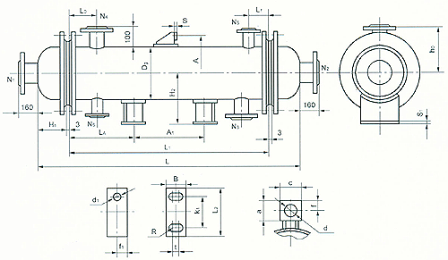
结构形式

注:1、本系列为固定管板式。
  2、换热管采用正三角形排列,按标准规定选用。
  3、折流板为弓形圆缺形,缺口位置上下型和左右型均可。
  4、壳程进口未设防冲板,如需要可在订货时提出。
  5、安装方式分立式和卧式。
  6、管子与管板采用焊接。
  7、本系列中设备法兰均为凹凸面法兰,接管法兰根据工艺计算选用或用户指定。

技术参数

产品型号
公称直径DN
(mm)
换热管规格
管子数
换热面积m2公称值/计算值
管程通道面积
m2
管长(mm)
750
1000
1500
SLH150
159×4.5
Ф19
15
0.5/0.62
1/0.85
1.5/1.29
0.0022
Ф25
10
0.5/0.55
0.8/0.75
1/1.14
0.0027
SLH200
219×6
Ф19
36
1.5/1.50
2/2.04
3.0/3.11
0.0053
Ф25
22
1/1.21
1.5/1.64
2.5/2.50
0.0060
SLH250
273×6
Ф19
69
3/2.88
4/3.91
6/5.97
0.0102
Ф25
40
2/2.20
3/2.98
5/4.55
0.0110
SLH300
325×8
Ф19
106
/
6/6.00
9/9.17
0.0157
Ф25
62
5/4.64
7/7.06
0.0170
SLH400
400×10
Ф19
195
/
11/11.05
17/16.86
0.0290
Ф25
110
8/8.20
13/12.52
0.0301


注:(1)压力:0.6、1.0、1.6、2.5MPa四种(真空可按0.6MPa选用)

  (2)温度:按材料许用温度选用,本系列设计温度为200℃,可按相关规定升温降压使用。
(3)材料:主要有16MnR、1Crl8Ni9Ti、Q235-A、OCrl7Nil2Mo2Ti。

安装尺寸

H150型

参 数mm
压 力MPa
0.6
1.0
1.6
2.5
管 长
750
1000
1500
750
1000
1500
750
1000
1500
750
1000
1500
接管
L0=100  h0=239.5
L1
28
32
36
38
DN
N1-2=50    N3-4=40    N5-6=20
卧式
支座
A1
242
492
992
242
492
992
242
492
992
242
492
992

LA=250   H2=280    L2=170   K1=90   d1=20
f1=60    B=140     R=10    t=20    S1=10

立式支座
A=442 d=24 f=30 S=6 c=100 a=60 共2只
H1
72
L1
742
992
1492
742
992
1492
742
992
1492
742
992
1492
L
892
1142
1642
892
1142
1642
892
1142
1642
892
1142
1642
重量(kg)
107
118
140
119
130
152
129
140
162
141
152
174


H200型

参 数mm
压 力MPa
0.6
1.0
1.6
2.5
管 长
750
1000
1500
750
1000
1500
750
1000
1500
750
1000
1500
接管
L0=100  h0=239.5
L1
30
32
38
40
DN
N1-2=50    N3-4=50    N5-6=20
卧式
支座
A1
242
492
992
242
492
992
242
492
992
242
492
992

LA=250   H2=310   L2=215   K1=120   d1=20
f1=60   B=140   R=10   t=20   S1=10

立式支座
A=506 d=24 f=30 S=6 c=100 a=60 共2只
H1
88
L1
742
992
1492
742
992
1492
742
992
1492
742
992
1492
L
924
1174
1674
924
1174
1674
924
1174
1674
924
1174
1674
重量(kg)
135
162
206
150
185
220
160
185
231
185
210
254


H250型

参 数mm
压 力MPa
0.6
1.0
1.6
2.5
管 长
750
1000
1500
750
1000
1500
750
1000
1500
750
1000
1500
接管
L0=100  h0=239.5
L1
32
34
40
42
DN
N1-2=80    N3-4=50    N5-6=20
卧式
支座
A1
242
492
992
242
492
992
242
492
992
242
492
992

LA=250   H2=337   L2=265   K1=160   d1=20
f1=60   B=140   R=10   t=20   S1=10

立式支座
A=562 d=24 f=30 S=6 c=100 a=60 共2只
H1
88
L1
742
992
1492
742
992
1492
742
992
1492
742
992
1492
L
952
1202
1702
952
1202
1702
952
202
1702
952
1202
1702
重量(kg)
Ф25
203
233
293
225
255
316
250
280
341
275
304
306
Ф19
-
-
-
-
-
-
-
-
-
-
-
-


H300型

参 数mm
压 力MPa
0.6
1.0
1.6
2.5
管 长
1000
1500
1000
1500
1000
1500
750
1000
1500
750
1000
1500
接管
L0=100  h0=322.5
L1
32
34
40
44
DN
N1-2=100   N3-4=65   N5-6=25
卧式
支座
A1
                       

LA=250   H2=337   L2=265   K1=160   d1=20
f1=60   B=140   R=10   t=20   S1=10

立式支座
A=562 d=24 f=30 S=6 c=100 a=60 共2只
H1
88
L1
992
1492
992
1492
992
1492
992
1492
1230
416
1230
416
1230
416
1230
416
324
416
348
440
367
459
424
516
-
-
-
-
-
-
-
-
L
重量(kg)
Ф25
Ф19


H400型

参数mm
压力MPa
0.6
1.0
1.6
2.5
管长
1000
1500
1000
1500
1000
1500
1000
1500
接管
L0
150
h0
363
364
366
366
L1
DN

N1-2=150 N3-4=100 N5-6=25

卧式
支座
A1
292
792
292
792
292
792
292
792
H2
411
412
414
414
LA=350 L2=410 K1=280 d1=20 f1=60
B=140 R=10 t=20 S1=10
立式
支座
A
754
758
766
766
f=60 S=10 c=140 a=120 共2只
H1
152
L1
992
1492
992
1492
992
1492
992
1492
L
1302
1802
1302
1802
1302
1802
1302
1802
重量
(kg)
Ф25
492
617
515
640
592
715
627
752
Ф19
-
-
-
-
-
-
-
-

型号标注

标记示例

如公称直径为300,公称压力为1.0MPa,换热面积为9m2,换热管规格为ф19,材质:壳体为碳钢,其余为不锈钢的高效换热器,其型号表示为:H300-1.0—911—CS

应用举例

某厂PBT生产工艺中第一预缩聚换热器原用光管式换热器规格为21m2。采用高效换热器后,换热面积仅为3.6 m2,节能增效明显。其物料参数如下:
1、管程:PBT预聚物 比重1.1t/m3,粘度1400cp,比热0.65kcal/kg0C,导热系数0.106kcal/m.h. 0C,流量15100kg/h,压力0.7MPa,结垢系数0.0002m2.h0C/KJ,温度从2400C至242.50C。
2、壳程:YD300导热油密度840kg/m3,比热0.63kcal/kg0C,导热系数0.091kcal/m.h. 0C,粘度0.48cst,温度从2700C降至2670C。
H型高效换热器技术参数提交单

项目
部位
工作介质
温度
工作压力MPa
粘度cp
比热
kcal/kg℃
导热系数
kcal/m/h/℃
流量
kg/h
结垢
系数

设备
材料
入口
出口
管程
                   
壳程
                   
N6
                   
N5
                   
N4
                   
N3
                   
N2
                   
N1
                   
符号
法兰规格
法兰标准
密封面形式
数量
用途
立式支座
2
/
换热管
规格
Ф19
式管口方位:
卧式支座
/
2
Ф25
名称
立式
卧式
折流板
形式
上下
数量
左右
SLH型高效换热器
工程名称
设计
型号
设计项目
校核
位号
选用单位
日期
台数

注:1、根据实际需要填写或选择表项。
  2、所有接管法兰均配对供应。
  3、特殊要求可另附图表及文字说明。
4、除本系列外,本公司还可为客户设计、制造串联套管式高效换热器,效果十分理想。

  打印此页】 【返回
   
   
南通天蓝石化设备有限公司 地址:启东市台角工业园区跃龙路18号 邮编:226200 http://www.qdjhgj.com E-mail:13862980289@126.com
电话:0513-83750261 手机:13862980289 采样器|密闭采样器|取样冷却器|